
TOTO
Van gật gù điều chỉnh nóng lạnh kèm nút chuyển hướng TOTO TBS04304B TBS04304B
Mã SP: TBS04304B
Tình trạng: Còn hàng
Giá tham khảo
3.008.000đ
Thông số và tính năng van gật gù nóng lạnh kèm nút chuyển hướng TOTO TBS04304B
Thông tin của van điều chỉnh TOTO TBS04304B:
- Mã sản phẩm: TBS04304B
- Van gật gù điều chỉnh nóng lạnh kèm nút chuyển hướng
- Dòng LF Series
- Chất liệu: Đồng mạ Niken-Crom
- Áp lực nước: 0.05 ~ 1.0 MPa
- Loại: tay gạt đơn
- Chế độ nước: nóng lạnh
Đặc điểm nổi bật van điều chỉnh nóng lạnh kèm chuyển hướng TOTO TBS04304B
- Thiết kế sang trọng, tinh tế
- Lớp mạ Nickel dày gấp 3 lần, chống ăn mòn cao
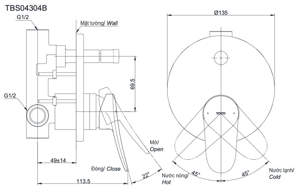
Bản vẽ kỹ thuật van điều chỉnh nóng lạnh TOTO TBS04304B kèm nút chuyển hướng
Xem thêm