
TOTO
Bộ sen cây nóng lạnh TOTO TBW01002BA TBG01302VA TBW01010A TBW01002BA/TBG01302VA/TBW01010A
Mã SP: TBW01002BA/TBG01302VA/TBW01010A
Tình trạng: Còn hàng
Giá tham khảo
19.353.600đ
Thông tin sản phẩm bộ sen tắm cây đứng TOTO TBW01002BA/TBG01302VA/TBW01010A
Thông tin của bộ sen cây tắm đứng TOTO TBW01002BA/TBG01302VA/TBW01010A:
- Mã sản phẩm: TOTO TBW01002BA
- Kích thước: 220mm
- Chất liệu: Đồng mạ Niken-Crom
- Thiết kế: Dáng tròn
- Áp lực nước: 0.05~0.75 MPa
- Công nghệ mát-xa sen tắm: Warm Spa, Comfort Wave
- Mã sản phẩm: TOTO TBG01302V / TBG01302VA
- Bộ sưu tập: GO
- Chất liệu: Đồng mạ Niken-Chrome
- Áp lực nước khuyến nghị: 0.1 - 0.5 MPa
- Áp lực tối thiểu: 0.05 MPa
- Áp lực tối đa: 1.0 MPa
- Loại: Tay gạt đơn
- Mã sản phẩm: TOTO TBW01010A
- Chất liệu: Nhựa mạ Niken-Chrome
- Thiết kế: Dáng tròn
- Đường kính: 110 mm
- Massage: 3 chế độ (Warm Spa, Active Wave, Comfort Wave)
- Áp lực nước: 0.05 - 0.75 MPa
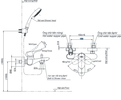
Bản vẽ kỹ thuật bộ bộ sen cây nóng lạnh TOTO TBW01002BA TBG01302VA TBW01010A (mã cũ TBW01002BA/TBG01302V/TBW01010A)



Xem thêm