
COTTO
Vòi chậu lavabo COTTO CT161(HM) bán tự động lạnh Peony CT161(HM)
Mã SP: CT161(HM)
Tình trạng: Còn hàng
Giá tham khảo
1.540.000đ
Thông tin sản phẩm vòi lavabo bán tự động COTTO CT161(HM)
- Danh mục: Vòi chậu
- Mã sản phẩm: CT161(HM)
- Dòng sản phẩm: Peony
- Phù hợp với loại chậu đặt trên bàn hoặc chậu treo tường
- Không bao gồm bộ xả và dây cấp nước
- Chất liệu: Đồng thau mạ Nickel-Chrome
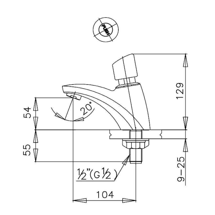
Bản vẽ kỹ thuật vòi lavabo bán tự động CT161(HM)

Đặc điểm nổi bật vòi lavabo bán tự động CT161(HM) COTTO
- Thiết kế hiện đại hài hòa.
- Lớp mạ bền vững với thời gian.
- Có tính kháng khuẩn, chống trầy xước.
- Phù hợp với loại chậu đặt trên bàn, chậu treo tường hoặc chậu âm bàn
- Đa dạng chủng loại và kích thước.
- Thiết kế thông minh: Tối giản những góc cạnh, giúp dể dàng vệ sinh.
- Thân thiện với môi trường.
Xem thêm