
TOTO
Thân cầu treo trường TOTO CW162 CW162#XW
Mã SP: CW162#XW
Tình trạng: Còn hàng
Giá tham khảo
5.325.600đ
Thông tin sản phẩm bồn cầu treo tường TOTO CW162
Thông tin của bồn cầu treo tường TOTO CW162#XW:
- Hệ thống xả: Hệ thống xả Tornado Siphon Jet
- Thiết kế: Treo tường dáng chữ D, thân kín
- Áp lực nước: 0.05MPa~0.75MPa
- Tâm xả: 220mm
- Màu sắc: màu trắng
- Có thể lắp đặt kết hợp nắp đóng êm TC384CVK, nắp rửa cơ hoặc nắp điện tử
Đặc điểm nổi bật bàn cầu treo tường TOTO CW162
- Men sứ chống dính, chống bám bẩn CEFIONTECT.
- Hệ thống xả Tornado, siêu mạnh, siêu êm, tiết kiệm nước
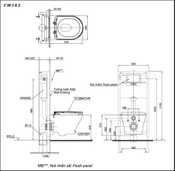
Bản vẽ kỹ thuật của bàn cầu TOTO CW162

Xem thêm