
GROHE
Két nước âm tường có khung 3 trong 1 GROHE 38722001 38722001
Mã SP: 38722001
Tình trạng: Còn hàng
Giá tham khảo
4.836.000đ
Thông tin sản phẩm két nước âm tường GROHE 38722001
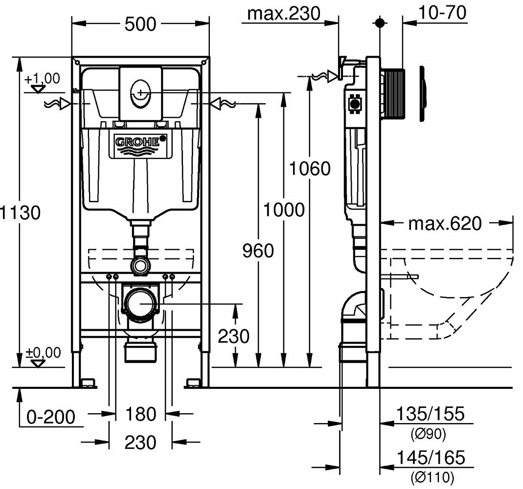
Vài thông số kỹ thuật của két nước bồn cầu treo tường GROHE 38722001
- Kích thước: 50 x 113 x 23mm
- Chất liệu: Nhựa
- Lượng nước xả: 6-9L
Đặc điểm nổi bật két nước cho bàn cầu treo tường GROHE 38722001
Những ưu điểm bạn không thể bỏ qua của bồn cầu treo tường GROHE 38722001
- Van xả khí nén với 2 chức năng: xả kép hoặc xả bắt đầu & dừng.
- Cấp nước từ trái / phải hoặc ngược lại.
- Ống nối cấp nước 1/2 ""với van góc tích hợp.
- GROHE Whisper: Giảm tiếng ồn khi sử dụng.
- GROHE QuickFix Plus: Cài đặt nhanh chóng, dễ dàng và không phức tạp.
- GROHE EcoJoy: Tiết kiệm nước tối ưu.
- Chịu được tải trọng trên 400 kg cho độ ổn định cao nhất.
Bản vẽ kỹ thuật két nước âm tường 38722001 Grohe

Xem thêm