
INAX
Bồn cầu treo tường INAX AC-22PVN (AC22PVN) nắp đóng êm AC-22PVN/BW1
Mã SP: AC-22PVN/BW1
Tình trạng: Còn hàng
Giá tham khảo
12.371.400đ
Bồn cầu treo tường - xu hướng sử dụng thiết bị vệ sinh tối giản và hiện đại cho không gian tắm được các gia chủ & nhà thầu Việt yêu thích những năm gần đây. Mẫu bồn cầu treo tường INAX AC-22PVN cũng là 1 trong những lựa chọn mới lạ, giúp tối giản và là điểm nhấn cho nhà vệ sinh của bạn.
Thông tin sản phẩm bồn cầu INAX treo tường AC-22PVN
Thông tin của bồn cầu treo tường INAX AC-22PVN/BW1:
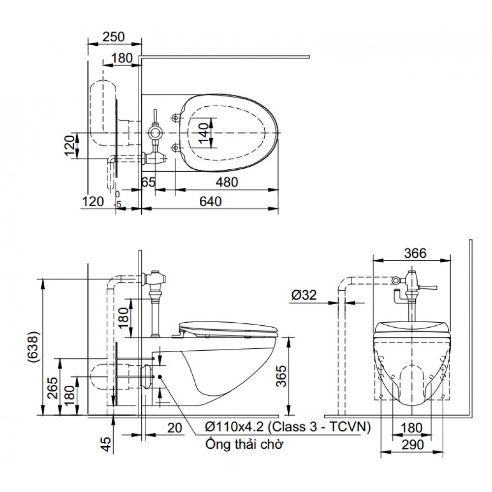
- Kích thước: 640 x 366 x 320 mm (Dài x Rộng x Cao)
- Hệ thống xả thẳng tay gạt 8.0L, thoát ngang
- Aqua Ceramic chống bám bẩn
- Đã bao gồm van xả, gioăng nối ống xả, két nước âm tường và nút nhấn
- Điều kiện cấp nước tối thiểu: 0.07Mpa
- Đường kính ống cấp nước ø32
Bản vẽ kỹ thuật của bàn cầu Inax AC-22PVN

Đặc điểm nổi bật bàn cầu treo tường INAX AC-22PVN
- Bàn cầu treo tường INAX các công trình công cộng, nhà hàng khách sạn, gia đình có không gian nhà vệ sinh nhỏ đến lớn đều có thể lắp đặt phù hợp
- Với chất lượng men sứ bền chắc lâu năm, chuẩn Nhật Bản của INAX xửa nay, bạn hoàn toàn an tâm vệ sinh hàng ngày với bồn cầu treo tường mà không sợ rơi, nứt, vỡ

- Men sứ được tráng lớp men từ công nghệ AQUA CERAMIC chống bám bụi bẩn, nấm mốc mang đến màu sắc trắng sáng theo thời gian dài sử dụng bàn cầu. Việc vệ sinh không gian tắm cũng đơn giản hơn.
- Nắp cầu được làm từ nhựa cao cấp, dày dặn, cơ chế đóng mở êm ái, chống ồn và chốn trầy xước tiện lợi hơn.
- Chế độ xả gạt với mực nước xả 8.0L/ 1 lần xả, đi cùng hệ thống xả Siphong tạo ra lực xoáy hút mạnh mẽ nhấn chìm và cuốn trôi đi mọi cận bẩn cứng đầu trong 1 lần xả nước.

- Bồn cầu treo tường INAX AP-22PVN đã bao gồm van xả, gioăng nối ống xả, két nước âm tường và nút nhấn. Khách hàng / nhà thầu cần chuẩn bị sẳn các đường nước, kích thước & vị trí lắp bồn cầu trong thời gian thi công nhà & lắp đúng theo bản vẽ kỹ thuật của bàn cầu để đảm bảo sử dụng an toàn suốt thời gian dài.
- Thân cầu AC-22P còn có thể kết hợp với các mẫu nắp rửa điện tử CW-KA22AVN; CW-KB22AVN; CW-H18VN; CW-H17VN hoặc nắp rửa cơ CW-S15VN; CW-S32VN của INAX - cho trải nghiệm vệ sinh thêm tiện nghi và đẳng cấp hơn.

Xem thêm